Electrical System Detailed Design
High Level Design Philosophy and Codes
The electrical system is intended to follow the design and safety requirements for industrial machines (UL508A/NFPA70) while keeping cost from getting too high. The system outlined may not meet all UL/NEC requirements, so any duplication or use should be done with caution and updates should be made to comply with local requirements.
Summary of Design Process
While the high-level control system and electronics have been a part of the design and considered since the beginning, in depth electrical design had yet to be detailed out. To avoid negative work, the workflow that I find most streamlined is the following:
- Major Component Selection: Select motors, controller, drives, VFDs, power supplies, etc. to meet the requirements for the machine.
- Circuit Protection: Determine the appropriate circuit protection for each major component/ circuit branch.
- Safety: Look at safety requirements and add components required to make the system safe (emergency stops). At this stage, there is enough information to determine wire sizes.
- Minor Component Selection. The electrical schematic can be detailed, and auxiliary components added: terminal blocks, relays, cable passthroughs, etc. Connections to inputs and outputs, the control panel, and cabling can all be specified.
- Heat Calculations, Cooling: The heat generated by each component can be used to determine if cooling will be required for the control panel. If a fan or air conditioner is required, this will need to be added to the electrical schematic.
- Electrical Cabinet Layout: With all the components selected, a layout can be made. Often, a rough layout is imagined earlier in the design (to put a control panel on order), but without all the above steps complete, a finalized layout is unlikely, so waiting on layout until the end is recommended.
This post will cover 1-3 of this design process, while 4-5 will be covered in a follow-up.
CAD
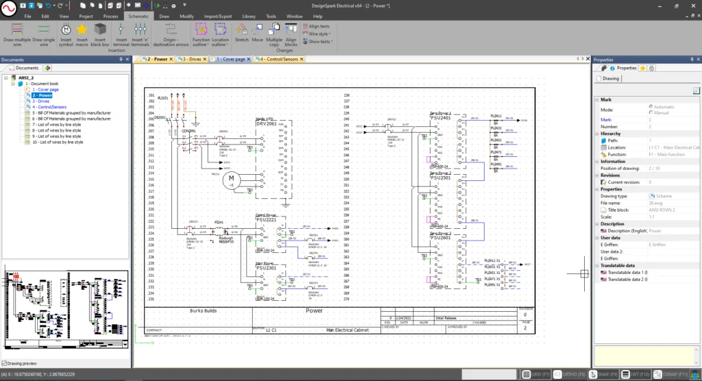
After trialing a bunch of free Electrical CAD software, DesignSpark Electrical was selected for this project. DesignSpark is based on SolidWorks Electrical, but has some limitations: 3-page schematic limit, report limits, wire length calculators not available, etc. Even with these limitations, it seemed to be the most automatable of the tested free software packages. I was able to setup automatic wire numbering and device labeling, multi-level terminal blocks, interruption points, generate a Bill of Materials (BOM), create macros, etc. The biggest challenges were the 3-page limit and trying to get the wire gauge to appear on the drawing automatically.
Major Component Selection
Most of the major components (controller, motors, drives, VFD) were sized earlier in the project based on mechanical and high-level machine requirements (outlined here). However, during detailed electrical design, some part number modifications were made as described below.
Stepper Power
The stepper power supplies were updated from the originally specified supplies for a more efficient design from Meanwell. Specifically, the originally specified SE-600-24 draws a current of 7.5A at 240VAC, while the PSP-600-24 draws a current of 3.4A at 240VAC, while both output 600W. The PSP series is much more efficient as it has built-in active PFC (power factor correction). The price increases significantly to add this feature (from $90 for the SE to $150 for the PSP), but the SE would cause the machine to go over the overall power budget of 30A and increase operating costs/waste power.

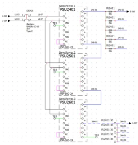
The design uses three PSP-600-24 power supplies in series to provide the stepper drives with 25A at 72VDC. This should be enough power for five drives (one reserved for a future rotary axis) running concurrently.
Control and IO Power
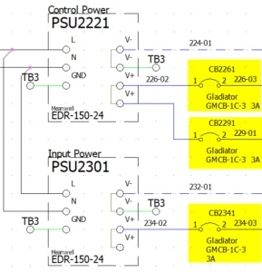
The selected controller recommends separate supplies for the control and IO power to try to keep the IO isolated from any noise sources and recommends input EMI filters. To meet these requirements, two EDR-150-24s were selected that will have a shared incoming EMI filter. One of the supplies will be used for the 3A input power and the other for both control power (3A) and to power several control relays (vacuum, tool changer, air, etc.).
Power Supply
The supply for the machine will be from a single phase 240V 30A 60 Hz residential (2 pole) breaker. The house has a L6-30 receptacle, so a cable with an L6-30P connector will be made to connect the machine to the supply. This cable will be landed into a 30A rated disconnect to be able to turn off the machine without opening the enclosure.

VFD
The FLA (full load amps – the expected current draw of the motor at its rated load and voltage) of the 1.5kW (2hp) spindle is 5.9A three phase at 230V (NFPA 70, Table 430.249). Although the motor is three-phase, the input to the VFD will be single phase. Many small VFDs can accept a single-phase input, but the VFD is derated. When controlling a three-phase output with a single-phase input, the input current will be \( \sqrt{3} \) times larger than the output current. Therefore, the selected spindle will draw 10.2A of single phase current at the input to the VFD.
Originally, a 2.2kW (3hp) VFD was selected. The manual for this VFD does not list an exact derating, but there is internal protection that only allows for 150% of the three-phase load for 1 minute before tripping (and there is also internal fusing that does not have a listed rating). This is a 3hp VFD (8.3FLA three-phase) and a max output current of 11A is listed in the manual, which aligns with circuit protection at 150% (150% x 8.3A = 12.45A > 11A).
Since the expected single-phase current is close to the internal circuit protection of the VFD, it is quite possible that the 3hp VFD would have nuisance tripping. A 5hp VFD (5hp 3phase at 230V = 13.2 FLA) would instead be much better suited for this application, allowing the spindle to run at full power without risking tripping the internal protection of the VFD.
Circuit Protection and High-Level Schematic
Circuit protection (typically achieved with circuit breakers and fuses) ensures that under fault conditions current cannot flow, which prevents component damage, prevents fires, and protects the operator.
AC Circuits
The incoming power is used to feed three main 240V circuits. The first is for the VFD, the second for the 72VDC power and the third for the 24VDC supplies. Each of these circuits is protected with a two-pole UL489 style C-trip circuit breaker sized for the load of that branch (15A, 15A and 10A). While the motor loads are inductive, the controlled accelerations limit the inrush much more than when using a simple motor starter. The C-trip circuit breakers should allow the in-rush to subside without causing nuisance trips. Automation Direct has a great two-minute video explaining circuit breaker trip curves.
VFD
As discussed in the Major Component Selection, a 5hp VFD will be used for the 1.5kW spindle. The full load amps of the spindle will be 10.2A single-phase. Circuit protection should be at least 125% of FLA for the motor it is protecting, which would be 12.75A. It is likely that the internal VFD protection for the 5hp VFD will trip at 150% of 13.2A, which is 19.8A, so the external protection should be lower than this to keep the VFD from tripping. 15A circuit breaker was selected for this application, as it should be sufficiently higher than the FLA.
Stepper Power Supplies
For more expensive power supplies (like Pheonix Contact), the spec sheet will give a current range that is acceptable for circuit protection. To size the power supply circuit protection without this guidance from Meanwell, equivalent Phoenix Contact supplies were compared to get a starting point. Pheonix recommends 10-16A for a similar supply size to the PSP-600. All three of the supplies for this project will be on the same branch of circuit protection, so being on the high end of this range seems like it will be ideal (without being too large to adequately protect the power supply). 15A circuit protection was chosen to enable the use of 14AWG wire, rather than needing to go larger for a 16A circuit breaker. When loaded, the PSP-600-24s will draw a total input current of 12.3A.
Input and Control Power Supplies
For the input and control power supplies (EDR-150-24), the equivalent Phoenix Contact recommendation is 6-16A. For the Meanwell EDR-150s, with an input current of 1.7A each, a 10A circuit breaker for the pair should be sufficient (following the same principals as used for the selection of the stepper power supply circuit protection).
DC Circuits
72VDC Stepper Power
On the load side of the 72VDC power, fuses will be used to protect each drive. Fuses are being used instead of circuit breakers as a cost-effective way to protect this higher DC voltage (most of the cost-effective breakers are not rated for over 48VC or 60VDC – due to the increased arc risk). Fuses could be found rated for much higher DC voltages without changing the price tag much. An additional benefit of fuses is that the protection level can be easily changed by changing the fuse (which is a small part of the cost compared to the holders). Phoenix Contact sells a terminal block style fuse holder that is very compact and additionally distributes 0V power, which will make for very compact and clean wiring. 8A fuses were ordered for all stepper drives as this will allow them to pull their max rated current and is greater than 125% of the designed load. However, these fuses could easily be swapped in the future if needed (14AWG wire will also be used to keep the flexibility). The specific fuses selected are fast blow fuses rated for high DC voltages (OptiFuse FCD-8A). Having a fast blow fuse is recommended by the stepper drive specification sheet.

24VDC Control and Input Power
Additional supplementary circuit breakers (UL 1077) are also used on the load side of the input and control power supplies. The controller specifies 3A for the input and control power, so 3A breakers are being used for each of these circuits. This will also be sufficient protection for the on-machine sensors (limit switches) that will have cabling rated for up to 4A.
Circuit Protection Bill of Materials (BOM)
Gladiator circuit breakers from Automation Direct were chosen for the UL489 and UL1077 circuit breakers, as they were the lowest cost industrial breakers that could be found in stock. The specific fuses were based on availability of fuses that would fit in the 5×20 form factor of the Pheonix Contact terminal blocks and meet all of the voltage, current and trip specifications.
Safety Third
Emergency Stops
Although safety is always the highest priority, it is often hard to do the detailed safety system design until you have the base architecture of the machine and major components selected.
The controller being used by this machine has an “e-stop” button on the HMI panel and one on the pendant. There is also an input that can be used for an external e-stop button. These buttons will all stop the machine motion via software, but do not directly cut the power to the motion axes. For this machine one external e-stop button will be added to provide an additional location for the operator to trigger an e-stop.
There was a lot of debate about how to implement a safety system on this machine, with options that resulted in varying degrees of safety. The simplest option would be to only use the built-in controller software e-stop, because the additional button could be connected to the input on the controller. This method would definitely be the cheapest and involve the least hardware, but the safety relies on the controller software. In machine design, safety that is only in software (that is not on a safety rated controller with safety rated hardware) is typically not advised as software can hang, crash, have bugs and generally have unexpected behavior if implemented poorly.
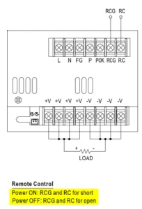
The three power supplies that are used for the stepper power do have terminals that can be used to remotely turn them off. From the factory, there is a jumper between these terminals and if you want to remotely turn them on/off, you can remove the jumper and add a switch. For the machine safety, a relay could be used to take an output from the controller and pass it through the additional e-stop button to open and close this circuit. Additional contacts on the relay could also be used to e-stop the VFD, which has an e-stop input. Each power supply would need to have its own contact, since the RC.G terminal (see block diagram below) is connected to -V and each power supply has a different potential at -V (as they are wired in series). The RC.G to RC connection appears to activate the overcurrent protection circuit, so it’s only as reliable as the supplies overcurrent protection is.
To implement this circuit, a relay with four contacts would be required. Although this method seems safer than the first, the e-stop output from the controller still relies on the software to set it, so only the external e-stop button would really be hardwired to cut the jumper. The pendant e-estop does connect to the controller through a d-sub connector, so a modified connection could be made to obtain the status of the pendant estop and allow you to connect it to a safety circuit. However, the e-stop on the pendant is normally open, so adding this signal to a hardwired safety circuit would not add much safety (as you could just unplug it and the status would not change).
The last method explored was using a power contactor to disconnect the load side of the stepper power supplies and VFD. The contactor would be controlled in the same way as a relay would be (routing the software output of the controller through the physical button), but it would not rely on the power supply circuit and a single contact (of sufficient current rating) could be used for all power supplies and the VFD.
After exploring all of the options, the second (relay) option stands out as the worst for this machine, as it doesn’t add much safety over the first (software only) and doesn’t simplify the system more or cost much less than the third (power contactor). Between the first and third options, the decision really boils down to the level of safety required for the application. For this machine, a power contactor will be used, as the cost of adding a $60 power contactor seems like a small cost addition to ensure that pressing the estop button will disconnect the power to the motors. Unfortunately, only the external estop will disconnect the power, but more of these buttons could be easily added to increase accessibility.
Wire sizing
Once circuit protection is selected, wire sizing is determined. Wires should always be rated for a higher current than will be allowed on the wire before a breaker or fuse is tripped. When selecting circuit breakers, it is common to pick sizes to keep wires smaller if there is a choice. For example, if your device needed to be protected at 6-8A, it might be advantageous to use a 6-7A circuit breaker, so that you can keep your wire size to 18AWG rather than having to step up to 16AWG. Another important consideration is that most devices only physically fit a small range of wire sizes, so you cannot make the wire infinitely large for safety and expect it to fit in all devices.
One additional consideration in this project for wire sizing was that the number of gauges was minimized to cut down on the number of parts (wires, ferrules, etc.) to help keep the cost lower. Knowing that I would need 10 AWG for the 30A infeed and 14AWG for the 15A breakers, I decided to stick with 10,14, and 18AWG for all wires. All wires protected to 7A or less will be 18AWG, wires protected to 7-15A will be 14AWG, and wires protected to 15-30A will be 10AWG.
Grounding
Like wire sizing, grounding doesn’t always get categorized with machine safety, but both are important to ensuring operator safety.
Incoming Ground and the Control Panel
The receptacle for this machine has a ground wire from the main house panel that connects to an earth ground outside the house. The house ground will go through the L6-30 plug and into the control panel. This ground will be bonded to the steel back panel of the control cabinet with a ground bar. From this point, all of the components in the control panel can be grounded to the back panel either through their housing or by running a ground wire to the ground bar.
The line side of each power supply will have a connection to ground and all of the 0V terminals on the load side of the power supplies will also be grounded (note that this will only be the case on one of the three stepper power supplies -V terminals as two in the series will be an intermediate voltage, not 0V). This will give all 0V conductors the same reference. The VFD has a ground terminal on the line side as well, while the stepper drives are grounded through the -VDC/GND terminal.
Machine Grounding
The three-phase spindle motor will have a four-conductor cable so that a ground can be connected to the fourth pin. This connection grounds the spindle motor case and thus the z-axis. The main structure will also be grounded through its connection to the electrical box and its grounded panel. Connections through the extrusion framing and to other axis will have a fairly high resistance, but this should be sufficient as the locations where problems are anticipated (spindle, dust collection) are being given specific low resistance paths to the main ground plane.
Dust Collector Grounding
Dust collection systems can be very prone to building static charge while running, so ensuring that the dust collection has a clean path to ground is important for noise and shocks/sparks. For this system, a wire will be run from the dust collection system directly to the ground bar.















yesss been waiting for an update
Guest post from Emily! What a treat!
This CNC is better documented than most of my actual work! Impressive.
I have to agree with Oli here. Better save time and store all this information in your head for spotty and inaccurate recall later.
When the money comes from your pocket, you think really hard about where it’s going.